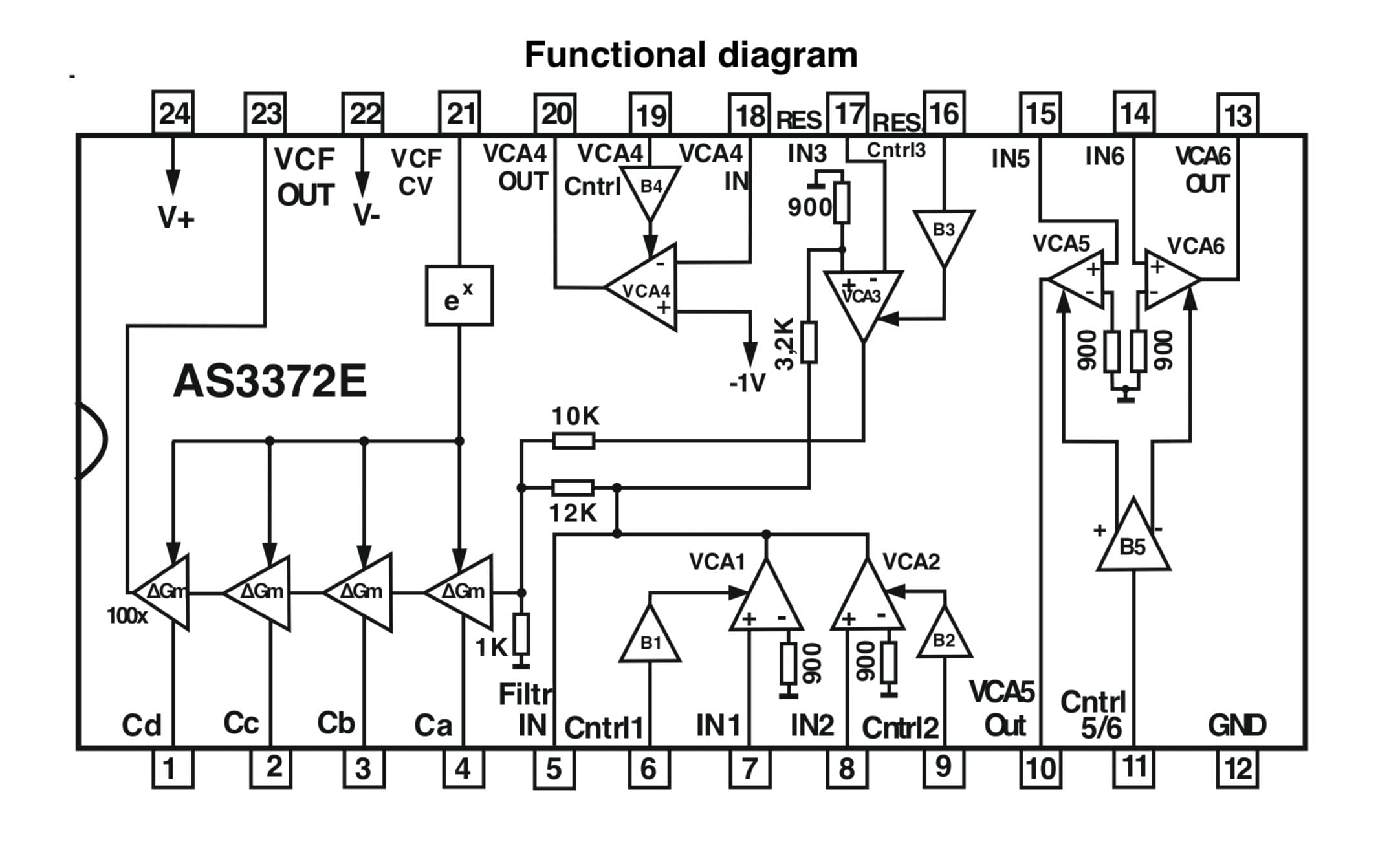
Description
The AS3372E is a extended modern version of the venerable CEM3372, as used in Sequential’s flagship Prophet T8 synth and the Oberheim Matrix-12 and Xpander. The original chip contains a two-input voltage-controlled mixer, a 4-pole lowpass filter, and a voltage-controlled amplifier.The Alfa extended version adds a further pair of VCAs organised as a mixing/panning block. As just a couple of examples, this could be be used to increase the input mixer, or to pan the output. It’s basically an entire synth voice on a chip, minus the oscillators and envelopes. It’s a fabulous chip and we’re quite excited to have it here to play with!
Note that since the new chip is extended with extra VCAs, it has more pins than the original (DIP-24 instead of DIP-18) and cannot be used as a drop-in replacement in vintage instruments.
Download AS3372E Signal Processor datasheet
These are brand new chips fresh from the Alfa Rpar semiconductor factory in Riga, Latvia.







Ben –
Hi Tom, this chip looks amazing. I wondered if you had any plans for to publish a modular style circuit diagram like you have done for a bunch of your other chips. I was having a look at the circuit in the data sheet but it seemed like it was more like a starting point rather than something you could just your module off.
Tom Wiltshire –
Hi Ben,
I’ve got some “application notes” in the pipeline for several of the AS chips, including this one. The idea is that they should be a easier-to-use addition to the rather brief datasheets provided by Alfa. When I tried the AS3372E on the breadboard, I found it was tricky to make sure the levels were correct all the way through the chip, so I took plenty of measurements. That’s something I’d like to include, along with how you calculate specific resistor values and such like.
Ben –
Sounds great Tom. Look forward to seeing what you come up with.
ROBERT M TROMPETER –
would love this as3372e challenge to build their circuit with great notes from you thanks